首页
关于爱博
产品中心
新闻资讯
行业应用
案例展示
样本下载
联系我们
首页
/
产品中心
/
张力系统
/
张力控制器
分类
√产品中心
纠偏系统
张力系统
磁粉制动器、离合器
行星减速机
翻盖齿轮箱(电动阻尼)
在线检测系统
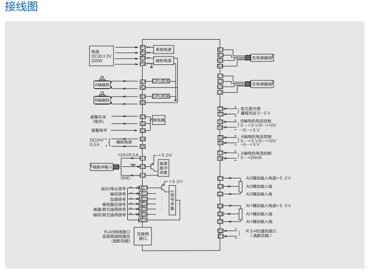
AB7890B张力控制器(加强型)
产品详情
产品参数
上一个:
AB7800A张力控制器(基本型))
下一个:
无
QQ客服
电话咨询
在线留言
短信咨询